|
|
 |
|
 |
|
PHP Web Board
_P1.jpg) Â÷¾Ð¼¾¼[DPC] |
|
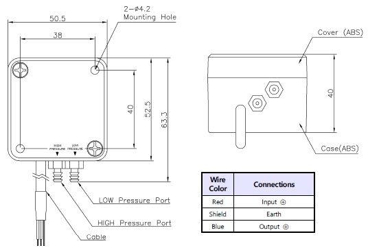
 ¢Ã Â÷¾Ð¼¾¼[DPC] ¹«Áö½Ã
DPC¸ðµ¨Àº ¸Å¿ì ÀÛÀº Â÷¾Ð, Áø°ø¾Ð, °ÔÀÌÁö¾Ð ÃøÁ¤ÀÌ °¡´ÉÇϹǷΠ°øÁ¶½Ã½ºÅÛ¿¡ ÀûÇÕÇÕ´Ï´Ù. 4~20mAÃâ·ÂÀ¸·Î ´Ù¾çÇÑ Á¦¾î±â±â¿¡ »ç¿ë °¡´ÉÇÕ´Ï´Ù.
- CEÀÎÁõ
- 2¼±½Ä 4~20mA Ãâ·Â
- 0~300Pa...100kPa diff.ÀÇ ¾Ð·ÂÃøÁ¤¹üÀ§
- Á¤¹Ðµµ 0.5%FS
- ¾Ð·ÂÃøÁ¤¸Åü ºñºÎ½Ä¼º °¡½º
(dpc)
|
|
|
|

_S.jpg) |
|
|
|

_D.jpg) |
|
|
|
|
|
|
|
|
|
|
|
|
|