PHP Web Board
¡Ý dz¼Ó°è.dz·®°è > dz¼Ó¼¾¼­(Æ®·£½º¹ÌÅÍ)



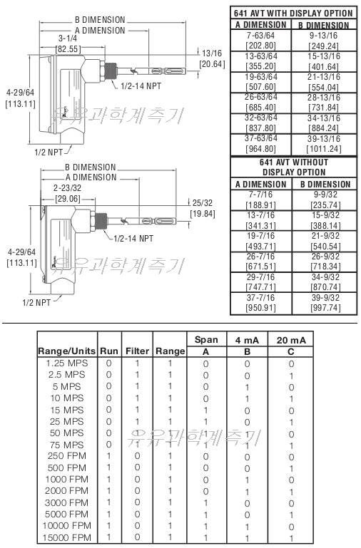
dz¼Ó¼¾¼­[641-type]

<> ¼³Ä¡Çü dz¼Ó°è[641 type]

- ´Ù¾çÇÑ ¼¾¼­±æÀÌ·Î ¼±Åà °¡´É
- ´Ù¾çÇÑ Ç³¼Ó¹üÀ§·Î Á¶ÀýÇÏ¿© »ç¿ë
- ¹«Áö½ÃÇü(641)°ú LED Áö½ÃÇü(641-LED)À¸·Î ¼±Åà »ç¿ë
(641LED,641led)